Language
Call
Call
Chat
Product cart
0
Product cart is empty
Open product cart
Product added to cart
Search
Products
{code}
{name}
No search results
All search results
Content
No search results
All search results
Home
/
spareparts
Spare parts
137515M
TRACTOR
Downloads
Inquire spare parts for the product using a form
Open form for spare part questions
Downloads
Technical information
Downloads
InstallationInstructions (.pdf)
InstallationInstructions (.pdf)
InstallationInstructions (.pdf)
SIDE VIEW 137515M (.dwg)
TOP VIEW 137515M (.dwg)
TRACTOR ROCKING EQUIPMENT (.dwg)
Technical information
User age
2-6
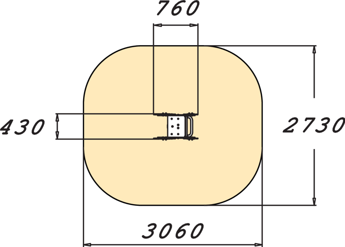
FALLING SPACE LENGTH, MM
3060
FALLING SPACE WIDTH, MM
2730
Max. free fall height, mm
420
Impact area, m²
7.5
Product height, mm
795
Product lenght, mm
760
Product width, mm
430
Height required, mm
1920
IMPACT AREA LENGTH, MM
3060
IMPACT AREA WIDTH, MM
2730
Back
Show products